Logo Passei Direto
Buscar
Material
páginas com resultados encontrados.
páginas com resultados encontrados.
details

Libere esse material sem enrolação!

Craque NetoCraque Neto

Ao continuar, você aceita os Termos de Uso e Política de Privacidade

details

Libere esse material sem enrolação!

Craque NetoCraque Neto

Ao continuar, você aceita os Termos de Uso e Política de Privacidade

Prévia do material em texto

Amplificadores Operacionais
Aluno (a):Adriana Elidio Barbosa 
Data: 10/12/2024
Avaliação Pratica 
INSTRUÇÕES:
· Esta Avaliação contém 1 (uma) questão, totalizando 10 (dez) pontos;
· Baixe o arquivo disponível com a Atividade Pratica;
· Você deve preencher dos dados no Cabeçalho para sua identificação: 
· Nome / Data de entrega.
· As respostas devem ser digitadas abaixo de cada pergunta;
· Ao terminar grave o arquivo com o nome Atividade Prática;
· Quando solicitado 
· Envio o arquivo pelo sistema no local indicado;
· Em caso de dúvidas consulte o seu Tutor.
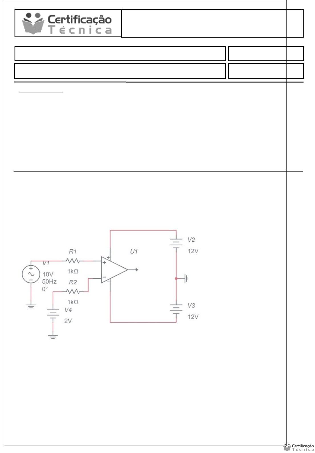
	Simule o circuito abaixo, use um osciloscópio para medir o sinal de saída e o apresente aqui:
	
image1.wmf
image2.png
image3.png
image4.png
image5.png