Logo Passei Direto
Buscar

Exercícios 11-03

User badge image
denise

em

Ferramentas de estudo

Questões resolvidas

Considere um sistema de primeira ordem cuja relação entrada-saída é dada por: Com relação ao desempenho desse sistema, é correto afirmar que
a) Se a entrada é em degrau, a resposta alcança mais de 98% do seu valor final quando t=3/a.
b) Quanto menor for o valor de a, mais rapidamente a resposta ao impulso unitário do sistema decai para zero.
c) Quanto maior o valor de a, menor o erro estacionário ao seguir uma entrada em rampa.
d) Quando t=a, a resposta alcança o valor 63,2% da sua variação total, caso a entrada seja em degrau.

Material
páginas com resultados encontrados.
páginas com resultados encontrados.
details

Libere esse material sem enrolação!

Craque NetoCraque Neto

Ao continuar, você aceita os Termos de Uso e Política de Privacidade

Questões resolvidas

Considere um sistema de primeira ordem cuja relação entrada-saída é dada por: Com relação ao desempenho desse sistema, é correto afirmar que
a) Se a entrada é em degrau, a resposta alcança mais de 98% do seu valor final quando t=3/a.
b) Quanto menor for o valor de a, mais rapidamente a resposta ao impulso unitário do sistema decai para zero.
c) Quanto maior o valor de a, menor o erro estacionário ao seguir uma entrada em rampa.
d) Quando t=a, a resposta alcança o valor 63,2% da sua variação total, caso a entrada seja em degrau.

Prévia do material em texto

Exercícios 11/03 
1) Um termômetro que funciona como uma função de transferência leva 30 segundos para 
indicar 63,2% da resposta a um degrau. Quanto tempo o termômetro levará para indicar da 
resposta final? 
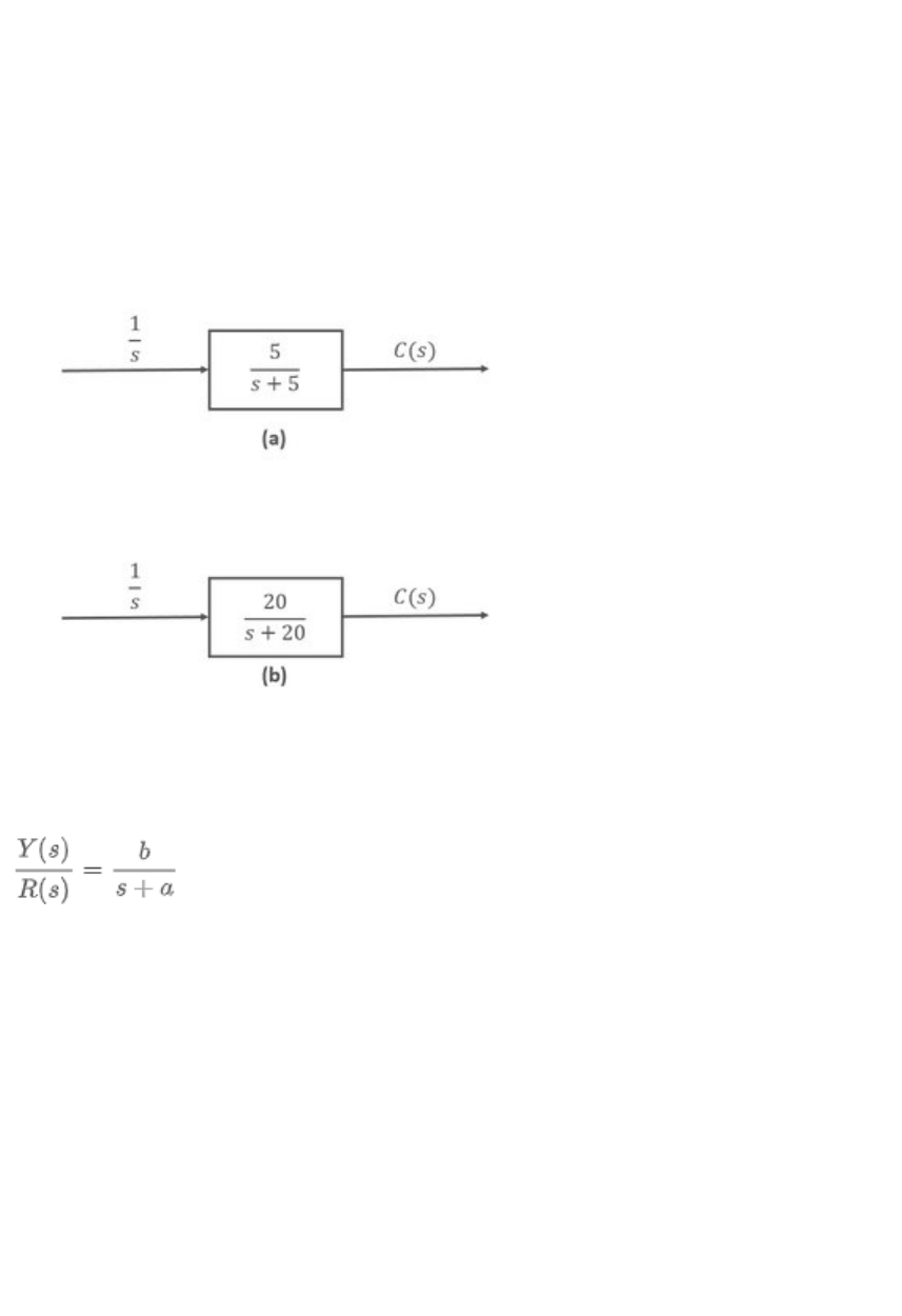
2) Obtenha a resposta de saída, c(t), para cada um dos sistemas mostrados abaixo. Além disso, 
obtenha a constante de tempo, o tempo de subida e o tempo de acomodação para uma faixa 
menor que 1% da resposta final para cada caso. 
 
 
3) Considere um sistema de primeira ordem cuja relação entrada-saída é dada por: 
 
Com relação ao desempenho desse sistema, é correto afirmar que 
a) Se a entrada é em degrau, a resposta alcança mais de 98% do seu valor final quando t=3/a. 
b) Quanto menor for o valor de a, mais rapidamente a resposta ao impulso unitário do sistema 
decai para zero. 
c) Quanto maior o valor de a, menor o erro estacionário ao seguir uma entrada em rampa. 
d) Quando t=a, a resposta alcança o valor 63,2% da sua variação total, caso a entrada seja em 
degrau.

Mais conteúdos dessa disciplina