Logo Passei Direto
Buscar

atividade_2

Material
páginas com resultados encontrados.
páginas com resultados encontrados.
details

Libere esse material sem enrolação!

Craque NetoCraque Neto

Ao continuar, você aceita os Termos de Uso e Política de Privacidade

details

Libere esse material sem enrolação!

Craque NetoCraque Neto

Ao continuar, você aceita os Termos de Uso e Política de Privacidade

Prévia do material em texto

Universidade Federal Rural de Pernambuco 
Unidade Acadêmica do Cabo de Santo Agostinho 
Disciplina: Automação Industrial e Controle 1 
Professor: Philippe Eduardo de Medeiros 
 
ATIVIDADE 2 
 
1) Elabore um circuito puramente pneumático para uma prensa rebitadora no qual o acionamento 
do atuador pneumático seja feito, por medidas de segurança, com comando bimanual e acionamento 
por pedal, de forma que, se qualquer um dos comandos for liberado antes de a tarefa ser executada, 
o atuador retorne ao ponto de partida. 
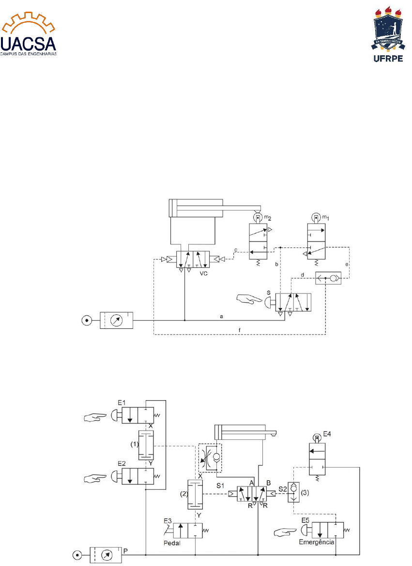
2) Refaça o circuito da figura abaixo a seguir com eletroválvulas e crie seu respectivo circuito elétrico 
de comando. 
 
3) Para este circuito, elimine as válvulas E1, E2, E3, E4, E5, Lógica E e OU e crie um circuito 
elétrico com as mesmas funções para comutar a válvula 5/2 acionadora do atuador. 
 
 
4) Crie um circuito pneumático com dois atuadores de forma que o segundo atuador somente seja 
disparado depois que o primeiro execute 10 ciclos. Ambos deverão retornar juntos. 
 
 
 
 
 
 
5) Elabore um circuito pneumático para o dispositivo a seguir, de forma que o acionamento da serra 
(atuador B) ocorra por válvula de retardo após acionamento do atuador A. As indicações a1 e a2 são 
chaves de fim de curso. 
 
 
6) O modelo a seguir (figura abaixo), gerado por computador, refere-se a um mecanismo de gravação 
cujo princípio funcional é: 
 
» O atuador A empurra o bloco de dentro do magazine para posição no final da pista, sob o atuador 
B, permanecendo distendido. 
» O atuador B é acionado em sequência após um diferencial de pressão de 1 bar a mais que a pressão 
de trabalho do atuador A, permanecendo distendido por 30 segundos. 
» O pulso de retorno do atuador B também acionará o avanço do atuador C empurrando o bloco 
pela rampa. O atuador C é de simples efeito com retorno por mola, assim como o atuador A. 
» Desenhe o diagrama trajeto × passo para este circuito. 
 
ATENÇÃO! TODOS OS PONTOS LISTADOS ABAIXO DEVEM SER SATISFEITOS PARA QUE 
A SUA ATIVIDADE SEJA CORRIGIDA. 
1) Fazer à mão e com letra legível. 
2) Assinar e datar as folhas de resposta. 
3) Escanear a atividade ou digitalizar o documento com um app scanner. 
4) Anexar um único arquivo com as folhas de resposta da atividade, no formato PDF, no SIGAA. 
5) O documento deve estar com qualidade suficiente para ser corrigido. 
6) Caso algum ponto listado acima não seja cumprido, a atividade não será considerada.

Mais conteúdos dessa disciplina